提示
提示
完成工程师认证,即可发布配方
温馨提示
根据网络安全管理条例
请登陆后继续浏览
非PLUS会员您暂未开通PLUS会员,请选择您的会员套餐
套餐选择:
特权
支付方式:
支付金额:
说豆
支付金额:
说币
扫码购买使用支付宝APP扫码完成支付
支付剩余时间:
支付金额
¥
氯化铝

氯化铝

【用途一】
用作有机合成的催化剂、洗涤剂,并用于医药、农药、染料、香料、塑料、润滑油等行业
【用途二】
用作分析试剂、防腐剂、媒染剂
【用途三】
膨松剂;清酒等变色防止剂,用量≤0.1g/L(以无水物计)或≤0.18g/L(以六水物计);果胶絮凝剂。
【用途四】
用作有机合成的催化剂,如石油裂解、合成染料、合成橡胶、合成洗涤剂、医药、香料等。用于制造农药、有机铝化合物、酞菁系有机颜料用催化剂、乙基苯制造用催化剂。也用于金属冶炼、润滑油合成。食品级产品用作膨松剂、清酒等防变色剂及果胶的絮凝剂。
【用途五】
主要用于有机合成的消化剂、合成染料、医药等。
【用途六】
有机合成催化剂,强脱水剂,酸催化剂,制造人造橡胶、塑料、润滑剂等的催化剂,冶金,石油裂化。
产品名称
  • 中文名
    无水三氯化铝
  • 英文名
    Aluminium chloride
  • 中文别名
    无水氯化铝 | 氯化铝 | 三氯化铝
  • 英文别名
    EINECS 231-208-1
    Aluminium chloride
    Aluminum chloride anhydrous
    MFCD00003422
    Aluminum chloride
  • 常用名
    氯化铝
  • C A S号
    7446-70-0
物理性质
  • 密度
    2.44
  • 沸点
    180°C
  • 熔点
    194 °C
  • 化学式
    AlCl3
  • 结构式

    1、摩尔折射率:无可用的

    2、摩尔体积(cm3/mol):无可用的

    3、等张比容(90.2K):无可用的

    4、表面张力(dyne/cm):无可用的

    5、介电常数:无可用的

    6、极化率(10-24cm3):无可用的

    7、单一同位素质量:131.888096 Da

    8、标称质量:132 Da

    9、平均质量:133.3405 Da

  • 闪点
    88 °C
  • 分子量
    133.340
  • 精确质量
    131.888092
  • P S A
  • 外观形状
    powder
  • 储存条件

    储存注意事项储存于阴凉、干燥、通风良好的库房。远离火种、热源。库温不超过30℃,相对湿度不超过75%。包装必须密封,切勿受潮。应与易(可)燃物、碱类、醇类等分开存放,切忌混储。不宜久存,以免变质。储区应备有合适的材料收容泄漏物。

  • 稳定性
  • 水溶解性
  • 形态
  • H L B值
  • 粘度
  • PH值
作用/用途
【用途一】
用作有机合成的催化剂、洗涤剂,并用于医药、农药、染料、香料、塑料、润滑油等行业
【用途二】
用作分析试剂、防腐剂、媒染剂
【用途三】
膨松剂;清酒等变色防止剂,用量≤0.1g/L(以无水物计)或≤0.18g/L(以六水物计);果胶絮凝剂。
【用途四】
用作有机合成的催化剂,如石油裂解、合成染料、合成橡胶、合成洗涤剂、医药、香料等。用于制造农药、有机铝化合物、酞菁系有机颜料用催化剂、乙基苯制造用催化剂。也用于金属冶炼、润滑油合成。食品级产品用作膨松剂、清酒等防变色剂及果胶的絮凝剂。
【用途五】
主要用于有机合成的消化剂、合成染料、医药等。
【用途六】
有机合成催化剂,强脱水剂,酸催化剂,制造人造橡胶、塑料、润滑剂等的催化剂,冶金,石油裂化。
制备方法

1.金属铝法 将铝锭放入密闭的氯化反应炉内,加热并通氯气进行氯化反应,生成的氯化铝升华进入捕集器,经捕集,即制得氯化铝成品。反应方程式如下:

7446-70-0 preparation

2.铝氧粉法 将一定粒度的工业氧化铝与石油焦按一定比例投入焙烧炉内混合均匀,由炉底通入空气进行焙烧。焙烧后的物料进入氯化炉,炉中通入氯气和氧气,铝氧粉在还原剂炭的存在下与氯反应。生成的气相产物经预冷、净化去捕集器,制得氯化铝成品。尾气经氢氧化钠或亚硫酸钠溶液吸收处理后排空。反应方程式如下:

7446-70-0 preparation

3.熔融法 将金属铝加热熔融后通入无水氯化氢,而制得。反应方程式如下:

7446-70-0 preparation

7446-70-0 preparation

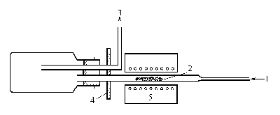
图XIII 16 氯化铝反应装置 1-氯化氢;2-铝粉;3-去通风橱;4-石棉;5-电炉

4.将直径为25~40mm的难熔燃烧管的一端延伸拉细。粗的一端通过软木塞插入广口瓶中(参阅图16)。软木塞开有另一孔,利用细玻璃管,使反应后产生的气体通过此细玻璃管排入通风橱中。在燃烧管中装有10~40g的铝粉。将燃烧管放进电炉中,用迅速流动的干燥氯化氢气将空气完全置换后,慢慢加热燃烧管直至产生白烟。此时,应注意勿使反应热将铝粉熔融成球状,达到某一温度时,大量的氯化铝升华至广口瓶中,直到铝反应完毕。在燃烧管全长中,非加热部分越短越好。否则,氯化铝就可能在这一部分凝固而使燃烧管堵塞。再者,为使装在广口瓶上的软木塞不被烧焦,有必要紧靠前面置以石棉。

5.将市售的氯化铝与质量约为其10%的铝屑充分混合。混合物放进升华管中,在升华过程中导入适量的干燥氯化氢气体。将粗而短的管与收集器烧瓶连接起来。连接干燥管的全系统应在防止湿气下保护起来。进一步精制时,可在氮气流中进行升华。

安全提醒
MSDS
国标编号: 81045
CAS: 7446-70-0
中文名称: 三氯化铝
英文名称: Aluminium trichloride
别 名: 氯化铝
分子式: AlCl3
分子量: 133.35
熔 点: 190℃(253kPa)
密 度: 相对密度(水=1)2.44
蒸汽压: 100℃
溶解性: 易溶于水、醇、氯仿、四氯化碳,微溶于苯
稳定性: 稳定
外观与性状: 白色颗粒或粉末,有强盐酸气味。工业品呈淡黄色
危险标记: 20(酸性腐蚀品)
用 途: 用作有机合成中的催化剂,制备铝有机化合物以及金属的炼制

2.对环境的影响:
一、健康危害

侵入途径:吸入、食入、经皮吸收。
健康危害:吸入高浓度氯化铝可刺激上呼吸道产生支气管炎,并且对皮肤、粘膜有刺激作用,个别人可引起支气管哮喘。误服量大时,可引起口腔糜烂、胃炎、胃出血和粘膜坏死。
慢性作用:长期接触可引起头痛、头晕、食欲减退、咳嗽、鼻塞、胸痛等症状。

二、毒理学资料及环境行为

急性毒性:LD503730mg/kg(大鼠经口)
危险特性:遇水反应发热放出有毒的腐蚀性气体。
燃烧(分解)产物:氯化物、氧化铝。


3.现场应急监测方法:
 


4.实验室监测方法:
电位法同时测定氯化铝和盐酸——(Kotova,V.N.;Burdian,G.G.;Komarova,A.A.;Gorlanova,O.V.), 《Ж.aHaЛ.XИM.》,1983,38,No4,657-659(俄文)。《分析化学文摘》,1985.2


5.环境标准:
美国 车间卫生标准 2mg/m3


6.应急处理处置方法:
一、泄漏应急处理

隔离泄漏污染区,周围设警告标志,建议应急处理人员戴自给式呼吸器,穿化学防护服。不要直接接触泄漏物,勿使泄漏物与可燃物质(木材、纸、油等)接触,用清洁的铲子收集于密闭容器中作好标记,等待处理。如果大量泄漏,最好不用水处理,在技术人员指导下清除。

二、防护措施

呼吸系统防护:可能接触其粉尘时,应该佩带防尘口罩。必要时佩带防毒面具。
眼睛防护:戴化学安全防护眼镜。
防护服:穿工作服(防腐材料制作)。
手防护:戴橡皮手套。
其它:工作后,淋浴更衣。单独存放被毒物污染的衣服,洗后再用。保持良好的卫生习惯。

三、急救措施

皮肤接触:立即脱去污染的衣着,用大量流动清水彻底冲洗。
眼睛接触:立即提起眼睑,用流动清水冲洗10分钟或用2%碳酸氢钠溶液冲洗。
吸入:迅速脱离现场至空气新鲜处。注意保暖,保持呼吸道通畅。必要时进行人工呼吸。就医。
食入:患者清醒时立即漱口,给饮牛奶或蛋清。立即就医。

灭火方法:干粉、砂土。禁止用水。
原料简介
应用范围
毒性和生态
安全信息
符号 GHS05 GHS08
GHS05, GHS08
信号词 Danger
危害声明 H314-H372-H373
补充危害声明 Reacts violently with water.
警示性声明 P280-P305 + P351 + P338-P310
靶器官 Central nervous system, Lungs
个人防护装备 Eyeshields;Faceshields;full-face particle respirator type N100 (US);Gloves;respirator cartridge type N100 (US);type P1 (EN143) respirator filter;type P3 (EN 143) respirator cartridges
危害码 (欧洲) C
风险声明 (欧洲) R34
安全声明 (欧洲) S28;S45
危险品运输编码 UN 1726 8/PG 2
WGK德国 1
RTECS号 BD0525000
包装等级 II
海关编码 2827320000
是否危险品
危险性
危险类别码
危险等级
触发危险方式
安全技术说明书
环境影响程度
包装与储运
相关供应商