氧化钠
主要用作制取钠化合物,以及漂白剂、消毒剂等。脱氢剂。化学反应的聚合或缩合剂。
产品名称
-
中文名氧化钠
-
英文名sodium oxide
-
中文别名
-
英文别名
EINECS 215-208-9 MFCD00046201 Sodium oxide Disodium monoxide Disodium oxide -
常用名氧化钠
-
C A S号1313-59-3
物理性质
-
密度2.27 g/mL at 25 °C(lit.)
-
沸点Decomposes at 1950ºC
-
熔点>400°C
-
化学式Na2O
-
结构式
1、摩尔折射率:无可用的
2、摩尔体积(cm3/mol):无可用的
3、等张比容(90.2K):无可用的
4、表面张力(dyne/cm):无可用的
5、介电常数:无可用的
6、极化率(10-24cm3):无可用的
7、单一同位素质量:61.974455 Da
8、标称质量:62 Da
9、平均质量:61.9789 Da
-
闪点N/A
-
分子量61.97890
-
精确质量61.97450
-
P S A
-
外观形状白色固体
-
储存条件
保持贮藏器密封、储存在阴凉、干燥的地方,确保工作间有良好的通风或排气装置
-
稳定性
-
水溶解性
-
形态白色粉末
-
H L B值
-
粘度
-
PH值
作用/用途
主要用作制取钠化合物,以及漂白剂、消毒剂等。脱氢剂。化学反应的聚合或缩合剂。
制备方法
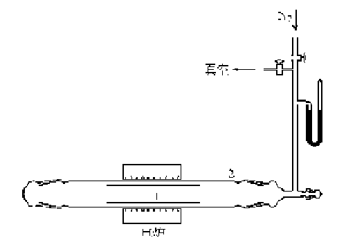
1.纯氧化钠可用钠与过氧化钠反应或硝酸钠与叠氮化钠反应制得。制备纯氧化钠很困难,在真空中使叠氮酸钠(NaN3)和硝酸钠反应可生成氧化钠并放出氮气,或用钠跟过氧化钠、硝酸钠、亚硝酸钠相互反应来制备 2.用纯净的叠氮化物与NaNO3混合加热,可以制得氧化钠。首先将镍盘1铺上薄薄的一层纯叠氮化钠。然后把硝酸钠与叠氮化钠(质量比1∶55)混合均匀,研成细粉,装入镍盘。镍盘放入硬质玻璃管2中。用汞扩散泵抽真空,同时开启电炉缓慢升温至200℃,除去反应混合物表面附着的水分后,逐渐升温至270~290℃,注意升温速度不可太急,否则会引起爆炸。叠氮化合物受热分解,混合物呈暗灰色。通往真空泵的旋塞可开或关闭,用以控制反应的进程。当温度继续上升,由于生成了亚硝酸盐混合物呈现棕色。当棕色消失,N2停止发生时,温度升至350~400℃,在真空中蒸除过量的钠,并用火焰将玻璃管处的钠镜加热除去。冷却玻璃管,取出镍盘。需注意不要使盘的任何部位碰着钠,防止钠冷凝到盘中Na2O上面,要严格隔绝空气。按以上操作可在3~5h之内制备0.3~0.5g的氧化钠。 图I-10 制备氧化钠的装置
1--镍盘;2--硬质玻璃管 3.用氢氧化钠和金属钠的混合物加热以制备氧化钠。
1--镍盘;2--硬质玻璃管 3.用氢氧化钠和金属钠的混合物加热以制备氧化钠。
金属钠应稍过量,目的是除去氢氧化钠所含的少量水分。
将粒状NaOH和小块金属钠混合,放入镍坩埚。镍坩埚放置于封好底部的硬质玻璃管中,管上部与真空泵和长管压力计联接。混合物在300~320℃开始反应,生成的氢气被真空泵抽出。真空度保持在399.96~533.288Pa(30~40mmHg柱),残留的钠被减压蒸出。生成物为白色粉末,其中Na2O只含96%,另有2% NaOH,2% Na2CO3杂质。安全提醒
MSDS
|
|||||||||||||||||||||||||||||||||||||||||||||||||||||||||||||||||||||||||||||||||||||||||||||||||||||||||||||||||||||||||||||||||||||||||||||||||||||||||||||||||||||||||||||||||||||||||||||||||||||||||||||||||||||||||||||||||||||||||||||||||||||||
原料简介
应用范围
毒性和生态
安全信息
| 危害码 (欧洲) | O: Oxidizing agent;C: Corrosive; |
|---|---|
| 风险声明 (欧洲) | R8 |
| 安全声明 (欧洲) | S8-S27-S39-S43-S45-S36/37/39-S26 |
| 危险品运输编码 | UN 3085 5.1/PG 1 |
| WGK德国 | 1 |
| 包装等级 | II |
| 危险类别 | 8 |
是否危险品
危险性
危险类别码
危险等级
触发危险方式
安全技术说明书
环境影响程度
包装与储运
相关供应商
-
新葳集团(原料事业部)主营:工业表面活性剂 生物益生菌 扩散剂NNF 精油乳化剂 油酸酯 有机胺酯 -
广东省洁氏化学有限公司主营:表面活性剂 -
广东省洁氏化学有限公司主营:表面活性剂 -
内蒙古雨泽化工有限公司主营:氢氧化钠(片碱)、液体氢氧化钠(30%、50%)、纯碱、甲醇、氨水等化工产品 -
广州双羊化工有限公司主营:片碱、纯碱、草酸、磷酸、硼酸、柠檬酸、大苏打、亚硫酸钠、亚硫酸氢钠、聚合氯化铝等 -
广州双羊化工有限公司主营:无机盐 无机碱 无机酸 水处理剂 食品添加剂 表面处理剂 -
广州长汇新材料有限公司主营:片碱 纯碱 -
广州市佳宏化工有限公司主营:金属表面处理材料及电镀专用化学品销售(包括电镀添加剂、钝化剂、光亮剂、硫酸镍、氯化锌等); 化工原料及产品(危险化学品凭许可证经营,含片碱、液碱、双氧水、聚合氯化铝等); 水处理药剂、环保处理 -
广东省洁氏化学有限公司主营:除蜡原料,除油原料,金属清洗剂原料,除蜡表面活性剂,除油表面活性剂,无泡表面活性剂

搜索






